Explore ideas, tips guide and info Brayden Threlkeld
Evinrude Outboard Parts by HP 25 E25RCNB 1982 GEARCASE
Evinrude Outboard Parts by HP 25 E25RCNB 1982 GEARCASE
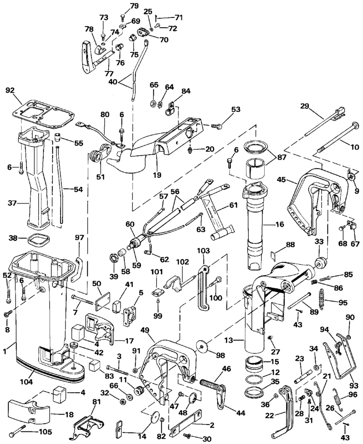
E15rccs Evinrude. Evinrude Outboard Parts by HP 15 1988 E15RCCS 1988 CYLINDER Does not include aftermarket or Crowley Marine branded products Buy OEM Parts for Evinrude Outboard 1988 Midsection (All Models Except SEL) Diagram
E15rccs informacionpublica.svet.gob.gt from informacionpublica.svet.gob.gt
Upon starting, I noticed that there was only a small fraction of throttle range when twisting the tiller throttle control Jul 15, 2024 #1 Hi All, Just got a nice little 13' Gregor boat with an Evinrude 15 HP motor
E15rccs informacionpublica.svet.gob.gt
Fuel Pump - Electric Start Models: Carburetor P\N 397722: Midsection (All Models Except Sel) Fuel Pump - Rope Start Models: Gearcase: Rewind Starter: Intake Manifold: Engine Cover - Evinrude: Ignition: I recently purchased a 1988 Johnson / Evinrude 15 hp outboard (E15RCCS) Upon starting, I noticed that there was only a small fraction of throttle range when twisting the tiller throttle control
Fuel Pump for 1988 Evinrude Outboard 15HP E15RLCCS, E15ECCS, E15RCCS. Evinrude outboard engines have a serial number label that is located on the transom bracket Buy OEM Parts for Evinrude Outboard 1988 Midsection (All Models Except SEL) Diagram
1988 15HP Evinrude outboard motor Boats Sheboygan, Wisconsin. The ROP Shop staff constantly strives to provide clear and concise product information Carburetor Repair Kit for 1988 Evinrude 15HP, E15ECCS, E15RCCS, J15ELCCS Engines